S.N Malhotra Industries

DIN 912 - Hexagon socket Head Cap Screws

Current norm: DIN EN ISO 4762
Equivalent norms: ISO 4762; CSN 021143; PN 82302; UNI 5931;

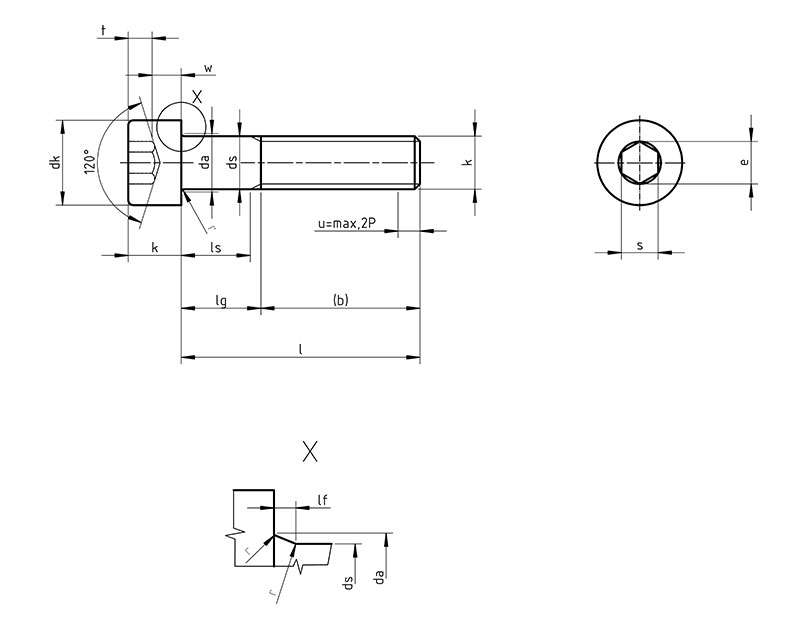
Legend:

d – the nominal diameter of the thread
k – head height
t – groove depth
dk – head diameter
L – length of bolt
s – size of the internal hexagon

Makings:

Steel: 8.8, 10.9, 12.9
Stainless: A2, A4
Plastic: –
Non Ferrous: –
Thread: 6g, 5g6g for strength 12.9

Notes:

Table according to ISO 4762:

dimensions in mm
Thread dM1,6M2M2,5M3M4M5M6M8M10M12(M14)M16M20M24M30M36M42M48M56M64
P0,350,40,450,50,70,811,251,51,75222,533,544,555,56
b1516171820222428323640445260728496108124140
dkmax.3,003,804,505.507,008,5010.0013,0016,0018,0021,0024,0030,0036,0045,0054,0063,0072,0084,0096,00
max. for grooved head3,143,984,685.687,228,7210,2213,2716,2718,2721,3324,3330,3336,3945,3954,4663,4672,4684,5496,54
min.2,863,624,325,326,788,289,7812,7315,7317,7320,6723,6729,6735,6144,6153,5462,5471,5483,4695,46
damax.22,63,13,64,75,76,89,211,213,715,717,722,426,433,439,445,652,66371
dsmax.1,602,002,503,004,005,006,008,0010,0012,0014,0016.0020,0024,0030,0036,0042,0048,0056,0064,00
min.1,461,862,362,863,824,825,827,789,7811,7313,7315,7319,6723,6729,6735,6141,6147,6155,5463,54
emin.1,7331,7332,3032,8733,4434,5835,7236,8639,14911,42913,71615,99619,43721,73425,15430,85436,57141,13146,83152,531
hmax.0,340,510,510,510,60,60,681,021,021,451,451,452,042,042,892,893,063,915,955,95
kmax.1,602,002,503,004,005,006,08,0010,0012,0014,0016,0020,0024,0030,0036,0042,0048,0056,0064,00
min.1,461,862,362,863,824,825,77,649,6411,5713,5715,5719,4823,4829,4835,3841,3847,3855,2663,26
rmin.0,10,10,10,10,20,20,250,40,40,60,60,60,80,8111,21,622
snominal1,51,522,5345681012141719222732364146
max.1,581,582,082,583,084,0955,146,148,17510,17512,21214,21217,2319,27522,27527,27532,3336,3341,3346,33
min.1,521,522,022,523,024,0205.026,028,02510,02512,03214,03217,0519,06522,06527,06532,0836,0841,0846,08
tmin.0,711,11,322,5345678101215,51924283438
vmax.0,160,20,250,30,40,50,60.811,21,41,622,433,64,24,85,66,4
dwmin.2,723,484,185,076,538,039,3812,3315,3317,2320,1723,1728,8734,8143,6152,5461,3470,3482,2694,26
wmin.0,550,550,851,151,41,92,33,344,85,86,88,610,413,115,316,317,51922


Thread dM1,6M2M2,5M3M4M5M6M8M10M12
llslglslglslglslglslglslglslglslglslglslg
nominalmin.max.min.max.min.max.min.max.min.max.min.max.min.max.min.max.min.max.min.max.min.max.
2,52,32,7full thread
32,83,2full thread
43,764,24full thread
54,765,24full thread
65,766,24full thread
87,718,29full thread
109,7110,29full thread
1211,6512,35full thread
1615,6516,35full thread
2019,5820,42  24full thread
2524,5825,42    5,7584,57full thread
3029,5830,42      9,5126,51048full thread
3534,535,5        11,515913611full thread
4039,540,5        16,520141811165,7512full thread
4544,545,5          1923162110,75175,513full thread
5049,550,5          2428212615,752210,518
5554,455,6            263120,752715,52310,2519
6059,460,6            313625,753220,52815,2524
6564,465,6              30,753725,53320,2529
7069,470,6              35,754230,53825,2534
8079,480,6              45,755240,54835,2544
9089,390,7                50,55845,2554
10099,3100,7                60,56855,2564
110109,3110,7                  65,2574
120119,3120,7                  75,2584
130129,2130,8                    
140139,2140,8                    
150149,2150,8                    
160159,2160,8                    
180179,2180,8                    
200199,07200,92                    
220219,07220,92                    
240239,07240,92                    
260258,95261,05                    
280278,95281,05                    
300298,95301,05                    


thread d(M14)M16M20M24M30M36M42M48M56M64
l  lslglslglslglslglslglslglslglslglslglslg
nominalmin.max.min.max.min.max.min.max.min.max.min.max.min.max.min.max.min.max.min.max.min.max.
1615,6516,35                    
2019,5820,42full thread                  
2524,5825,42full threadfull thread                
3029,5830,42full threadfull threadfull thread              
3534,535,5full threadfull threadfull threadfull thread            
4039,540,5full threadfull threadfull threadfull thread            
4544,545,5full threadfull threadfull threadfull threadfull thread          
5049,550,5full threadfull threadfull threadfull threadfull thread          
5554,455,6full threadfull threadfull threadfull threadfull threadfull thread        
6059,460,61020full threadfull threadfull threadfull threadfull threadfull thread      
6564,465,615251121full threadfull threadfull threadfull threadfull thread      
7069,470,620301626full threadfull threadfull threadfull threadfull threadfull thread    
8079,480,63040263615,528full threadfull threadfull threadfull threadfull threadfull thread  
9089,390,74050364625,5381530full threadfull threadfull threadfull threadfull threadfull thread
10099,3100,75060465635,5482540full threadfull threadfull threadfull threadfull threadfull thread
110109,3110,76070566645,558355020,538full threadfull threadfull threadfull threadfull thread
120119,3120,77080667655,568456030,5481636full threadfull threadfull threadfull thread
130129,2130,88090768665,578557040,5582646full threadfull threadfull threadfull thread
140139,2140,890100869675,588658050,568365621,544full threadfull threadfull thread
150149,2150,8  9610685,598759060,578466631,554full threadfull threadfull thread
160159,2160,8  10611695,51088510070,588567641,5642752full threadfull thread
180179,2180,8    115,512810512090,5108769661,584477228,556full thread
200199,075200,925    135,5148125140110,51289611681,5104679248,5763060
220219,075220,925            101,51248711268,5965080
240239,075240,925            121,515510713288,511670100
260258,95261,05            141,5164127152108,513690120
280278,95281,05            161,5184147172128,5156110140
300298,95301,05            181,5204167192148,5176130160