DIN 961 - Hex Cap Screws, Metric Fine Thread - Full Thread
Current norm: DIN EN 28676
Equivalent norms: ISO 8676; CSN 021103; PN 82105; UNI 5740; EU 28765;
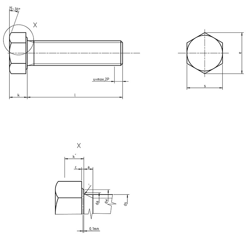
Legend:
l – length of bolt
d – the nominal diameter of the thread
k – head height
r – radius
e – the diameter of the circumscribed circle (not less than)
s – size hex head turnkey
c – thickness of the mounting collar
Makings:
Steel: 8.8, 10.9
Stainless: A2,A4
Plastic: –
Non Ferrous: –
Thread: 6g
Notes:
–
Table according to DIN 961:
dimensions in mm
| Thread d | M8x1 | M10x1 | M12x1,5 | (M14x1,5) | M16x1,5 | (M18x2) | M20x1,5 | (M22x2) | M24x2 | ||
| – | M10x1,25 | M12x1,25 | – | – | (M18x1,5) | M20x2 | (M22x1,5) | M24x1,5 | |||
| a | max. | 3 | 3,75 | 4,5 | 4,5 | 4,5 | 6 | 6 | 6 | 6 | |
| c | min. | 0,15 | 0,15 | 0,15 | 0,15 | 0,2 | 0,2 | 0,2 | 0,2 | 0,2 | |
| max. | 0,6 | 0,6 | 0,6 | 0,6 | 0,8 | 0,8 | 0,8 | 0,8 | 0,8 | ||
| da | max. | 9,2 | 11,2 | 13,7 | 15,7 | 17,7 | 20,2 | 22,4 | 24,4 | 26,4 | |
| dw | min. | Product grade A | 11,6 | 15,6 | 17,4 | 20,5 | 22,5 | 25,3 | 28,2 | 30 | 33,6 |
| Product grade B | 11,4 | 15,4 | 17,2 | 20,1 | 22 | 24,8 | 27,7 | 29,5 | 33,2 | ||
| e | min. | Product grade A | 14,38 | 18,9 | 21,1 | 24,49 | 26,75 | 30,14 | 33,53 | 35,72 | 39,98 |
| Product grade B | 14,2 | 18,72 | 20,88 | 23,91 | 26,17 | 29,56 | 32,95 | 35,03 | 39,55 | ||
| k | nominal | 5,3 | 6,4 | 7,5 | 8,8 | 10 | 11,5 | 12,5 | 14 | 15 | |
| Product grade A | min. | 5,15 | 6,22 | 7,32 | 8,62 | 9,82 | 11,28 | 12,28 | 13,78 | 14,78 | |
| max. | 5,45 | 6,58 | 7,68 | 8,96 | 10,18 | 11,72 | 12,72 | 14,22 | 15,22 | ||
| Product grade B | min. | 5,06 | 6,11 | 7,21 | 8,51 | 9,81 | 11,15 | 12,15 | 13,65 | 14,65 | |
| max. | 5,54 | 6,69 | 7,79 | 9,09 | 10,29 | 11,85 | 12,85 | 14,35 | 15,35 | ||
| k´ | min. | 3,54 | 4,28 | 5,05 | 5,96 | 6,8 | 7,8 | 8,5 | 9,6 | 10,3 | |
| r | min. | 0,4 | 0,4 | 0,6 | 0,6 | 0,6 | 0,6 | 0,8 | 0,8 | 0,8 | |
| s | nominal = max | 13 | 17 | 19 | 22 | 24 | 27 | 30 | 32 | 36 | |
| min. | Product grade A | 12,73 | 16,73 | 18,67 | 21,67 | 23,67 | 26,67 | 29,67 | 31,61 | 35,38 | |
| Product grade B | 12,57 | 16,57 | 18,48 | 21,16 | 23,16 | 26,16 | 29,16 | 31 | 35 | ||
| Thread d | (M27x2) | M30x2 | (M33x2) | M36x3 | (M39x3) | M42x3 | (M45x3) | M48x3 | (M52x3) | |
| a | max. | 6 | 6 | 6 | 9 | 9 | 9 | 9 | 9 | 9 |
| c | min. | 0,2 | 0,2 | 0,2 | 0,2 | 0,3 | 0,3 | 0,3 | 0,3 | 0,3 |
| max. | 0,8 | 0,8 | 0,8 | 0,8 | 1 | 1 | 1 | 1 | 1 | |
| da | max. | 30,4 | 33,4 | 36,4 | 39,4 | 42,4 | 45,6 | 48,6 | 52,6 | 56,6 |
| dw | min. | 38 | 42,7 | 46,6 | 51,1 | 55,9 | 59,9 | 64,7 | 69,4 | 74,2 |
| e | min. | 45,2 | 50,85 | 55,37 | 60,79 | 66,44 | 71,3 | 76,95 | 82,6 | 88,25 |
| k | nominal | 17 | 18,7 | 21 | 22,5 | 25 | 26 | 28 | 30 | 33 |
| min. | 16,65 | 18,28 | 20,58 | 22,08 | 24,58 | 25,58 | 27,58 | 29,58 | 32,5 | |
| max. | 17,35 | 19,12 | 21,42 | 22,92 | 25,42 | 26,42 | 28,42 | 30,42 | 33,5 | |
| k´ | min. | 11,7 | 12,8 | 14,4 | 15,5 | 17,2 | 17,9 | 19,3 | 20,9 | 22,8 |
| r | min. | 1 | 1 | 1 | 1 | 1 | 1,2 | 1,2 | 1,6 | 1,6 |
| s | nominal = max | 41 | 46 | 50 | 55 | 60 | 65 | 70 | 75 | 80 |
| min. | 40 | 45 | 49 | 53,8 | 58,8 | 63,1 | 68,1 | 73,1 | 78,1 | |
| Thread d | M8x1 | M10x1 | M12x1,5 | (M14x1,5) | M16x1,5 | (M18x2) | M20x1,5 | (M22x2) | M24x2 | ||||
| – | M10x1,25 | M12x1,25 | – | – | (M18x1,5) | M20x2 | (M22x1,5) | M24x1,5 | |||||
| l | Product grade | Weight (7,85kg/dm3) kg / 1000pcs | |||||||||||
| A | B | ||||||||||||
| nominal | min. | max. | min. | max. | |||||||||
| 8 | 7,71 | 8,29 | – | – | 8,6 | 16,7 | |||||||
| 10 | 9,71 | 10,29 | – | – | 9,3 | 17,8 | 25,5 | 38,8 | |||||
| 12 | 11,65 | 12,35 | – | – | 9,9 | 18,9 | 27 | 40,9 | 55,1 | ||||
| (14) | 13,65 | 14,35 | – | – | 10,6 | 19,9 | 28,5 | 43 | 57,9 | ||||
| 16 | 15,65 | 16,35 | – | – | 11,3 | 21 | 30 | 45,1 | 60,7 | ||||
| (18) | 17,65 | 18,35 | – | – | 11,9 | 22,1 | 31,5 | 47,2 | 63,4 | 86,6 | 115 | 143 | |
| 20 | 19,58 | 20,42 | – | – | 12,6 | 23,2 | 33 | 49,3 | 66,2 | 90 | 119 | 148 | 193 |
| (22) | 21,58 | 22,42 | – | – | 13,2 | 24,2 | 34,5 | 51,3 | 69 | 93,4 | 124 | 154 | 199 |
| 25 | 24,58 | 25,42 | – | – | 14,2 | 25,8 | 36,7 | 54,4 | 73,2 | 98,6 | 131 | 162 | 209 |
| (28) | 27,58 | 28,42 | – | – | 15,2 | 27,4 | 39 | 57,6 | 77,3 | 104 | 137 | 170 | 218 |
| 30 | 29,58 | 30,42 | – | – | 15,9 | 28,5 | 40,5 | 59,7 | 80,1 | 107 | 141 | 175 | 224 |
| 35 | 34,5 | 35,5 | – | – | 17,6 | 31,2 | 44,2 | 64,9 | 87,1 | 116 | 152 | 188 | 240 |
| 40 | 39,5 | 40,5 | – | – | 192 | 33,9 | 48 | 70,2 | 94 | 124 | 163 | 201 | 256 |
| 45 | 44,5 | 45,5 | – | – | 20,9 | 35,6 | 51,7 | 75,4 | 101 | 133 | 174 | 215 | 272 |
| 50 | 49,5 | 50,5 | – | – | 22,6 | 39,3 | 55,5 | 80,6 | 106 | 141 | 186 | 228 | 288 |
| 55 | 54,4 | 55,6 | – | – | 24,2 | 42 | 59,2 | 85,8 | 115 | 150 | 197 | 241 | 303 |
| 60 | 59,4 | 60,6 | – | – | 25,9 | 44,7 | 63 | 91,1 | 122 | 159 | 208 | 254 | 319 |
| 65 | 64,4 | 65,6 | – | – | 27,6 | 47,4 | 66,7 | 96,3 | 129 | 167 | 219 | 267 | 335 |
| 70 | 69,4 | 70,6 | – | – | 29,2 | 50 | 70,5 | 102 | 136 | 176 | 230 | 281 | 351 |
| (75) | 74,4 | 75,6 | – | – | 30,9 | 52,7 | 74,2 | 107 | 143 | 184 | 241 | 294 | 367 |
| 80 | 794 | 80,6 | – | – | 32,5 | 55,4 | 78 | 112 | 150 | 193 | 253 | 307 | 383 |
| (85) | 84,3 | 85,7 | 83,25 | 88,75 | 34,2 | 58,1 | 81,7 | 117 | 157 | 202 | 264 | 320 | 399 |
| 90 | 89,3 | 90,7 | 88,25 | 91,75 | 35,9 | 60,8 | 85,2 | 122 | 164 | 210 | 275 | 333 | 415 |
| (95) | 94,3 | 95,7 | 93,25 | 93,75 | 37,5 | 63,5 | 89,2 | 128 | 171 | 219 | 286 | 347 | 430 |
| 100 | 99,3 | 100,7 | 98,25 | 101,75 | 39,2 | 65,2 | 92,9 | 133 | 177 | 227 | 297 | 360 | 446 |
| 110 | 109,3 | 110,7 | 108,25 | 111,75 | 42,5 | 71,6 | 100 | 143 | 191 | 244 | 319 | 386 | 478 |
| 120 | 119,3 | 120,7 | 118,25 | 121,75 | 45,9 | 77 | 108 | 154 | 205 | 261 | 342 | 413 | 510 |
| 130 | 129,2 | 130,8 | 128 | 132 | 82,4 | 115 | 164 | 219 | 279 | 364 | 439 | 541 | |
| 140 | 139,2 | 140,8 | 138 | 142 | 87,7 | 123 | 175 | 233 | 296 | 386 | 466 | 573 | |
| 150 | 149,2 | 150,8 | 148 | 152 | 93,1 | 130 | 185 | 247 | 313 | 409 | 492 | 605 | |
| 160 | 159,2 | 160,8 | 158 | 162 | 138 | 169 | 260 | 330 | 431 | 518 | 637 | ||
| (170) | 169,2 | 170,8 | 168 | 172 | 145 | 206 | 274 | 347 | 453 | 545 | 668 | ||
| 180 | 179,2 | 180,8 | 178 | 182 | 153 | 217 | 288 | 365 | 475 | 571 | 700 | ||
| (190) | 189,08 | 190,92 | 187,7 | 192,3 | 227 | 302 | 382 | 498 | 598 | 732 | |||
| 200 | 199,08 | 200,92 | 197,7 | 202,3 | 238 | 316 | 399 | 520 | 624 | 764 | |||
| Thread d | (M27x2) | M30x2 | (M33x2) | M36x3 | (M39x3) | M42x3 | (M45x3) | M48x3 | (M52x3) | ||
| l | min. | max. | Weight (7,85kg/dm3) kg / 1000pcs | ||||||||
| 20 | 19,58 | 20,42 | 273 | ||||||||
| (22) | 21,58 | 22,42 | 281 | ||||||||
| 25 | 24,58 | 25,42 | 293 | ||||||||
| (28) | 27,58 | 28,42 | 305 | ||||||||
| 30 | 29,58 | 30,42 | 313 | 417 | |||||||
| 35 | 34,5 | 35,5 | 333 | 442 | 569 | 705 | 898 | ||||
| 40 | 39,5 | 40,5 | 354 | 468 | 600 | 741 | 940 | 1131 | 1377 | ||
| 45 | 44,5 | 45,5 | 374 | 493 | 631 | 776 | 983 | 1180 | 1434 | 1721 | |
| 50 | 49,5 | 50,5 | 394 | 519 | 662 | 812 | 1025 | 1230 | 1491 | 1786 | 2190 |
| 55 | 54,4 | 55,6 | 415 | 544 | 693 | 848 | 1067 | 1279 | 1548 | 1852 | 2267 |
| 60 | 59,4 | 60,6 | 435 | 569 | 724 | 884 | 1109 | 1329 | 1605 | 1917 | 2344 |
| 65 | 64,4 | 65,6 | 455 | 595 | 755 | 919 | 1158 | 1378 | 1663 | 1982 | 2422 |
| 70 | 69,4 | 70,6 | 476 | 620 | 786 | 955 | 1194 | 1428 | 1720 | 2048 | 2499 |
| (75) | 74,4 | 75,6 | 496 | 645 | 817 | 991 | 1236 | 1477 | 1777 | 2113 | 2576 |
| 80 | 794 | 80,6 | 517 | 671 | 848 | 1027 | 1279 | 1526 | 1834 | 2178 | 2653 |
| (85) | 84,3 | 85,7 | 537 | 969 | 879 | 1062 | 1321 | 1576 | 1891 | 2244 | 2730 |
| 90 | 89,3 | 90,7 | 557 | 722 | 910 | 1098 | 1363 | 1625 | 1948 | 2309 | 2807 |
| (95) | 94,3 | 95,7 | 578 | 747 | 941 | 1134 | 1406 | 1675 | 2005 | 2374 | 2885 |
| 100 | 99,3 | 100,7 | 598 | 772 | 972 | 1169 | 1446 | 1724 | 2062 | 2440 | 2962 |
| 110 | 109,3 | 110,7 | 639 | 823 | 1034 | 1240 | 1533 | 1823 | 2176 | 2571 | 3116 |
| 120 | 119,3 | 120,7 | 679 | 874 | 1096 | 1312 | 1617 | 1922 | 2290 | 2701 | 3271 |
| 130 | 129,2 | 130,8 | 720 | 924 | 1158 | 1383 | 1702 | 2021 | 2405 | 2832 | 3425 |
| 140 | 139,2 | 140,8 | 761 | 975 | 1220 | 1455 | 1786 | 2119 | 2519 | 2963 | 3579 |
| 150 | 149,2 | 150,8 | 802 | 1026 | 1282 | 1526 | 1871 | 2218 | 2633 | 3093 | 3734 |
| 160 | 159,2 | 160,8 | 842 | 1077 | 1344 | 1598 | 1956 | 2317 | 2747 | 3224 | 3888 |
| (170) | 169,2 | 170,8 | 883 | 1127 | 1405 | 1669 | 2040 | 2416 | 2861 | 3355 | 4043 |
| 180 | 179,2 | 180,8 | 924 | 1178 | 1467 | 1741 | 2125 | 2515 | 2976 | 3485 | 4197 |
| (190) | 189,08 | 190,92 | 964 | 1229 | 1529 | 1812 | 2209 | 2614 | 3090 | 3616 | 4351 |
| 200 | 199,08 | 200,92 | 1005 | 1280 | 1591 | 1883 | 2294 | 2712 | 3204 | 3747 | 4506 |