S.N Malhotra Industries

IS 12427 Transmission Tower Bolts

IS 12427 : 2001

Steel Hardness: 5.8 , 8.8
Finish: Hot Dip Galvanized

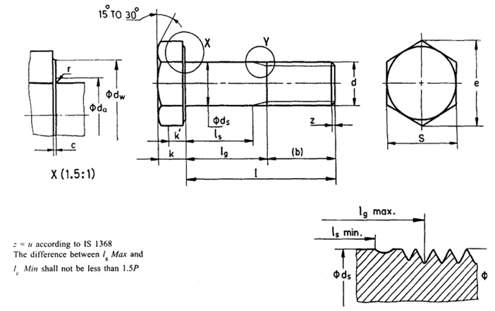
Dimensions of Hexagon Head Transmission Tower Bolts
Nom. Dia. (d)M12M16M20(M22)M24
Thread Pitch1.7522.52.53
b (ref)2023262830
CMax.0.60.80.80.80.8
DaMax.14.718.724.426.428.4
DsMax.12.716.720.8422.8424.84
Min.11.315.319.1621.1623.16
DwMax.1824303436
Min.16.472227.731.3533.25
eMin.19.8526.1732.9537.2939.55
kNom.7.51012.51415
Max.7.9510.7513.414.915.9
Min.7.059.2511.613.114.1
k’Min.4.956.488.129.179.87
rMin.0.60.60.80.80.8
sMax.1824303436
Min.17.5723.1629.163335
 
Length — Size Combinations and Grip Ranges
ThreadM12M16M20M22M24
Size dlsLgGriplsLgGriplsLgGriplsLgGriplsLgGrip
Min.Max.RangeMin.Max.RangeMin.Max.RangeMin.Max.RangeMin.Max.Range
3065106-10
3511.51511-158128-12
4016.52016-20131713-1791411-147128-12
4521.52521-25182218-22141915-19121713-1791511-15
5026.53026-30232723-27192420-24172218-22142016-20
5531.53531-35283228-32242925-29222723-27192521-25
6036.54036-40333733-37293430-34273228-32243036-30
6541.54541-45384238-42343935-39323733-37293531-35
7046.55046-50434743-47394440-44374238-42344036-40
7551.55551-55485248-52444945-49424743-47394541-45
8056,56056-60535753-57495450-54475248-52445046-50
8561.56561-65586258-62545955-59525753-57495551-55
9066.57066-70636763-67596460-64576258-62546056-60
9571.57571-75687268-72646965-69626763-67596561-65
10076.58076-80737773-77697470-74677268-72647066-70
105   788278-82747975-79727773-77697571-75
110   838783-87798480-84778278-82748076-80
115   889288-92848985-89828783-87798581-85
120   939793-97899490-94879288-92849086-90
125   9810298-102949995-99929793-97899591-95
130   103107103-10799104100-1049710298-1029410096- I00
135   108112108-112104109105-109102107103-10799105101-105
140   113117113-117109114110-114107112108-112I04110106-110
145   118122118-122114119115-119112117113-117109115111-115
150   123127123-127119124120-124117I22118-122114120116-120
155   I28132128-132124129125-129122I27123-127119125121-125
160   133137133-137129I34130-134127132128-132124130126-130